Quantcast
© 2022 TEXAS A&M UNIVERSITY

Tweaking Alloy Microchemistry For Flawless Metal 3D Printing

Researchers at Texas A&M have fine-tuned the process for creating defect-free metal parts using a laser bed powder fusion 3D printing technique.


Vandana Suresh
Jul 28, 2023

colorized electron micrograph of a nickel powder alloy
A new method developed by Texas A&M researchers optimizes alloy properties and process parameters to create superior 3D-printed metal parts. Shown here is a colorized electron micrograph of a nickel powder alloy used in the study. | Raiyan Seede

In the last few decades, metal 3D printing has spearheaded the efforts in creating custom parts of intricate shapes and high functionality. But as additive manufacturers have included more alloys for their 3D printing needs, so have the challenges in creating uniform, defect-free parts.

A new study by Texas A&M University researchers has further refined the process of creating superior metal parts using laser powder bed fusion 3D printing techniques. By using a combination of machine learning and single-track 3D printing experiments, they have identified the favorable alloy chemistries and process parameters, like laser speed and power, needed to print parts with uniform properties at the microscale.

“Our original challenge was making sure there are no pores in the printed parts because that’s the obvious killer for creating objects with enhanced mechanical properties,” said Raiyan Seede, doctoral student in the Department of Materials Science and Engineering. “But having addressed that challenge in our previous work, in this study, we take deep dives into fine-tuning the microstructure of alloys so that there is more control over the properties of the final printed object at a much finer scale than before.”

The researchers have published their findings in the journal Additive Manufacturing.

Like other 3D-printing methods, laser powder bed fusion also builds 3D metal parts layer by layer. The process starts with rolling a thin layer of metal powder on a base plate and then melting the powder with a laser beam along tracks that trace the cross-sectional design of the intended part. Then, another layer of the powder is applied and the process is repeated, gradually building the final part.

Alloy metal powders used for additive manufacturing can be quite diverse, containing a mixture of metals, such as nickel, aluminum and magnesium at different concentrations. During printing, these powders cool rapidly after being heated by a laser beam. Since the individual metals in the alloy powder have very different cooling properties and consequently solidify at different rates, this mismatch can create a type of microscopic flaw called microsegregation.

“When the alloy powder cools, the individual metals can precipitate out,” Seede said. “Imagine pouring salt in water. It dissolves right away when the amount of salt is small, but as you pour more salt, the excess salt particles that do not dissolve start precipitating out as crystals. In essence, that’s what is happening in our metal alloys when they cool quickly after printing.”

He said this defect appears as tiny pockets containing a slightly different concentration of the metal ingredients than other regions of the printed part. These inconsistencies compromise the mechanical properties of the printed object.

To rectify this microdefect, the research team investigated the solidification of four alloys containing nickel and one other metal ingredient. In particular, for each of these alloys, they studied the physical states or phases present at different temperatures for increasing concentrations of the other metal in the nickel-based alloy. From detailed phase diagrams, they could determine the chemical composition of the alloy that would lead to minimum microsegregation during additive manufacturing.

Next, they melted a single track of the alloy metal powder for different laser settings and determined the process parameters that would yield porosity-free parts. Then, they combined the information gathered from the phase diagrams with that from the single-track experiments to get a consolidated view of the laser settings and nickel alloy compositions that would yield a porosity-free printed part without microsegregation.

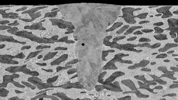
electron microscrope image in black and white of a cross section of nickel and zinc alloyA scanning electron microscope image of a single laser scan cross-section of a nickel and zinc alloy. Here, dark, nickel-rich phases interleave lighter phases with uniform microstructure. A pore can also be observed in the melt pool structure. | Raiyan Seede

Last, the researchers went a step further and trained machine-learning models to identify patterns in their single-track experiment data and phase diagrams to develop an equation for microsegregation applicable to any other alloy. Seede said the equation is designed to predict the extent of segregation given the solidification range, material properties, and laser power and speed.

“Our methodology eases the successful use of alloys of different compositions for additive manufacturing without the concern of introducing defects, even at the microscale,” said Ibrahim Karaman, Chevron Professor I and head of the materials science and engineering department. “This work will be of great benefit to the aerospace, automotive and defense industries that are constantly looking for better ways to build custom metal parts.”

Research collaborators Raymundo Arroyavé and Alaa Elwany added that the uniqueness of their methodology is in its simplicity, which can easily be adapted by industries to build sturdy, defect-free parts with an alloy of choice. They noted that their approach contrasts prior efforts that have primarily relied on expensive, time-consuming experiments for optimizing processing conditions.

Arroyavé is a professor in the materials science and engineering departments and Elwany is an associate professor in the Wm Michael Barnes ’64 Department of Industrial and Systems Engineering. Other contributors to this research include Austin Whitt and William Trehern from the materials science and engineering department and Jiahui Ye from the industrial and systems engineering department.

The research is supported by the United States Army Research Office and the National Science Foundation.

Publication: Raiyan Seede, et al., Effect of composition and phase diagram features on printability and microstructure in laser powder bed fusion: Development and comparison of processing maps across alloy systems, Additive Manufacturing (2023). DOI: 10.1016/j.addma.2021.102258

Original Story Source: Texas A&M University


RECOMMENDED